金属全密封MOSFET
特性
1、芯片采用沟槽氮化硅玻璃烧结工艺。
2、电压控制器件,具有输入阻抗高、驱动电流小、开关速度快。
3、安全工作区宽。
4、金属全密封结构,安装方便,可靠性高。
5、热性能好。
质量等级
1、企军标JP、JT:GJB33A-97
2、七专G:QZJ840611A
3、普军J:参考QZJ840611A执行。
金属全密封MOSFET最大额定值
表1:金属全密封MOSFET最大额定值
|
|
ID漏极(直流)电流(A) @VGS=10V; |
IDM漏极(脉冲)电流 @VGS=10V;TC=25℃ |
PD漏源功率耗散 |
VGS |
工作结温 /贮存温度 |
产品外形 |
备注 |
|
|
TC=25℃ |
TC=100℃ |
A |
W |
V |
℃ |
|||
|
HVM1.4N3.5 (替代2N6659) |
1.4 |
1.0 |
3.0 |
6.25 |
±20 |
-55~150
|
TO-39 |
产品详细电特性、外形图以各产品的技术规格书为准。 |
|
HVM130N04S (替代IRL004) |
130 |
92 |
520 |
200 |
±16 |
TO-263;TO-220 |
||
|
HVM35N5.5 (替代IRF5M3205) |
35 |
35 |
140 |
125 |
±20 |
SMD-1;B2-01C;TO-254 |
||
|
HVM55N5.5 (替代IRF7N1405) |
55 |
55 |
220 |
100 |
±20 |
B2-01C(F-2);TO-254;SMD-1 |
||
|
HVM75N5.5 (替代IRF1010) |
75 |
53 |
300 |
150 |
±20 |
B2-01C(F-2);TO-254;SMD-1 |
||
|
HVM2.3N6 (替代Si2308BDS) |
2.3 |
1.8 |
8.0 |
1.66 |
±20 |
TO-267;TO-257 |
||
|
HVM2.5N6 (替代IRFD024) |
2.5 |
1.8 |
20 |
1.3 |
±20 |
TO-39;SMD-05;TO-267 |
||
|
HVM6.7N6 (替代IRFE024) |
6.7 |
4.2 |
27 |
14 |
±20 |
TO-39;SMD-05;TO-267 |
||
|
HVM35N6 (替代IRFM064) |
35 |
35 |
380 |
250 |
±20 |
SMD-1;B2-01C;TO-254 |
||
|
HVM50N6 (替代IRFZ48R) |
50 |
50 |
290 |
190 |
±20 |
SMD-1;B2-01C;TO-254 |
||
|
HVML30N10 (替代IRL540N) |
30 |
21 |
120 |
140 |
±16 |
SMD-1;B2-01C;TO-254 |
||
|
HVM30N10 |
30 |
21 |
120 |
140 |
±16 |
SMD-1;B2-01C;TO-254 |
||
续表1:金属全密封MOSFET最大额定值
|
|
ID漏极(直流)电流(A) @VGS=10V; |
IDM漏极(脉冲)电流 @VGS=10V; TC=25℃ |
PD漏源功率耗散 |
VGS |
工作结温 贮存温度 |
产品外形 |
备注 |
|
|
TC=25℃ |
TC=100℃ |
A |
W |
V |
℃ |
|||
|
HVM35N10 (替代IRF5M3710) |
35 |
29 |
140 |
125 |
±20 |
-55~150 |
SMD-1;B2-01C;TO-254 |
产品详细电特性、外形图以各产品的技术规格书为准。 |
|
HVM40N10 (替代IRF150、2N6764) |
38 |
24 |
152 |
150 |
±20 |
SMD-1;B2-01C;TO-254 |
||
|
HVM59N10 (替代IRFB59N10DPbF) |
59 |
42 |
236 |
200 |
±20 |
SMD-1;B2-01C;TO-254 |
||
|
HVM75N10(CS75N10) (替代IRFB4710) |
75 |
53 |
300 |
200 |
±20 |
SMD-1;B2-01C;TO-254 |
||
|
HVM80N10 (替代FDB3632、FDP3632) |
80 |
— |
— |
310 |
±20 |
TO-263;TO-220;TO-247 |
||
|
HVM180N10 (替代IXTA180N10T) |
180 |
— |
450 |
480 |
±30 |
TO-263/片贴 |
||
|
HVM200N10 (替代IXTA200N10T) |
200 |
— |
500 |
550 |
±20 |
TO-258 |
||
|
HVM37.5N15 (替代IRF5N3415) |
37.5 |
22 |
150 |
125 |
±20 |
SMD-1 |
||
|
HVML9N20 (替代IRL630) |
9 |
5.7 |
36 |
74 |
±10 |
SMD-1;B2-01B;TO-257 |
||
|
HVM20N20 (替代IRFH5220PbF) |
20 |
13 |
47 |
8.3 |
±20 |
SMD-2;B2-01C;TO-258 |
||
|
HVM30N20S (替代IRFP250N) |
30 |
21 |
120 |
190 |
±20 |
TO-247 |
||
|
HVM30N20 (替代IRFM250/IRF250) |
30 |
19 |
120 |
150 |
±20 |
SMD-1;B2-01C;TO-254 |
||
|
HVM6.6P10 (替代IRFR9120N) |
-6.6 |
-4.2 |
-26 |
40 |
±20 |
TO-252; SMD-0.2 |
||
|
HVM4P10 (替代IRFR9123N) |
-4 |
-2.8 |
-16 |
— |
±20 |
TO-39 |
||
|
HVM23P10 (替代IRF9540/IRF9540N) |
-23 |
-16 |
-76 |
140 |
±20 |
SMD-1;B2-01C;TO-254;TO-257 |
||
|
HVM75P5.5 (替代IRF4905) |
-75 |
-52 |
-260 |
200 |
±20 |
SMD-1;T0-263;TO-254 |
||
|
HVM40P10 (替代IRF5210PBF) |
-40 |
-29 |
-140 |
200 |
±20 |
SMD-1;B2-01C;TO-254 |
||
|
HVM27P20 (替代IRF9260/2N7426) |
-27 |
-17 |
-108 |
250 |
±20 |
SMD-1;B2-01C;TO-254 |
||
|
HVM9.4P20 (替代IRFY924(M)) |
-9.4 |
-6.0 |
-36 |
100 |
±20 |
SMD-1;B2-01C;TO-254 |
||
金属全密封MOSFET主要电参数@TA=25℃及最大值(除非另有规定)
表2:金属全密封MOSFET主要电参数
|
|
漏源击穿电压V(BR)DSS |
漏源通态电阻 RDS(ON) |
阈值 电压 VGS(th) |
正向 跨导 gfs |
漏极截 止电流 IDSS |
栅极截止电流 IGSS |
栅极 总电荷 Qg |
开通 延迟 td(on) |
CiSS/Coss/Crss |
|
V |
mΩ |
V |
S |
μA |
nA |
nC |
ns |
pF |
|
|
HVM1.4N3.5 (替代2N6659) |
70(typ) |
1800 |
2.0 |
170(min) |
10 |
100 |
- |
15 |
80/40/10 |
|
HVM130N04S (替代IRL004) |
40(min) |
6.5 |
1.0(min) |
63((min) |
25 |
100 |
100 |
16(typ) |
5330/1480/320 |
|
HVM35N5.5 (替代IRF5M3205) |
55(min) |
15 |
4.0 |
34(min) |
25 |
100 |
170 |
22 |
3600/1200\445 |
|
HVM55N5.5 (替代IRF7N1405) |
55(min) |
5.3 |
4.0 |
68(min) |
25 |
100 |
200 |
20 |
5100/1290/300 |
|
HVM75N5.5 (替代IRF1010) |
55(min) |
14 |
4.0 |
25(min) |
25 |
100 |
120 |
16 |
2500/1300/350
|
|
HVM2.3N6 (替代Si2308BDS) |
60(min) |
156 |
3.0 |
2(min) |
20 |
100 |
2.3(typ) |
15 |
190/26/15 |
|
HVM2.5N6 (替代IRFD024) |
60(min) |
100 |
4.0 |
0.9(min) |
25 |
100 |
25 |
13(typ) |
640/360/79 |
|
HVM6.7N6 (替代IRFE024) |
60(min) |
150 |
4.0 |
4.3(min) |
25 |
100 |
26 |
14 |
640/340/69 |
|
HVM35N6 (替代IRFM064) |
60(min) |
17 |
4.0 |
21(min) |
25 |
100 |
240 |
27 |
7400/3200/540 |
|
HVM50N6 (替代IRFZ48R) |
60(min) |
18 |
4.0 |
27(min) |
25 |
100 |
110 |
8.1(typ)
|
2400/1300/190
|
|
HVML30N10 (替代IRL540N) |
100(min) |
44 |
2.0 |
14(min) |
25 |
100 |
74 |
11(typ) |
1800/350/170 |
|
HVM30N10 |
100(min) |
50 |
4.0 |
14(min) |
25 |
100 |
74 |
11(typ) |
1800/350/170 |
|
HVM35N10 (替代IRF5M3710) |
100(min) |
30 |
4.0 |
20(min) |
25 |
100 |
200 |
22 |
2920/670/340 |
|
HVM40N10 (替代IRF150、2N6764) |
100(min) |
55 |
4.0 |
9(min) |
25 |
100 |
125 |
35 |
3700/110/\200 |
|
HVM59N10 (替代IRFB59N10DPbF) |
100(min) |
25 |
5.5 |
18(min) |
25 |
100 |
114 |
16(typ) |
2450/740/190 |
|
HVM75N10(CS75N10) (替代IRFB4710) |
100(min) |
14 |
5.5 |
35(min) |
1.0 |
100 |
170 |
17(typ) |
6160/440/250 |
|
HVM80N10 (替代FDB3632、FDP3632) |
100(min) |
9 |
4.0 |
— |
10 |
100 |
84(typ) |
30(typ) |
6000/820/200 |
|
HVM180N10 (替代IXTA180N10T) |
100(min) |
6.4 |
4.5 |
70(min) |
5 |
100 |
375 |
45 |
13800/1846/324 |
|
HVM200N10 (替代IXTA200N10T) |
100(min) |
75 |
5.0 |
60(min) |
5 |
100 |
202 |
45 |
12800/1200/400 |
|
HVM37.5N15 (替代IRF5N3415) |
150(min) |
42 |
4.0 |
19(min) |
25 |
100 |
200 |
20 |
2700/560/280 |
注:① min为最小值;max为最大值;typ为典型值。
② CiSS/Coss/Crss的值都是典型值。
续表2:金属全密封MOSFET主要电参数
|
产品型号
电参数
|
漏源击穿电压V(BR)DSS |
漏源通态电阻 RDS(ON) |
阈值 电压 VGS(th) |
正向 跨导 gfs |
漏极截 止电流 IDSS |
栅极截止电流 IGSS |
栅极 总电荷 Qg |
开通 延迟 td(on) |
CiSS/Coss/Crss |
|
V |
mΩ |
V |
S |
μA |
nA |
nC |
ns |
pF |
|
|
HVML9N20 (替代IRL630) |
200(min) |
400 |
2.0 |
4.8(min) |
25 |
100 |
40 |
8.0(typ) |
1100/220/70 |
|
HVM20N20 (替代IRFH5220PbF) |
200(min) |
99.9 |
5.0 |
16(min) |
20 |
100 |
30 |
14(typ) |
1380/100/23 |
|
HVM30N20S (替代IRFP250N) |
200(min) |
75 |
4.0 |
12(min) |
25 |
100 |
123 |
14(typ) |
2159/315/83 |
|
HVM30N20 (替代IRFM250/IRF250) |
200(min) |
85 |
4.0 |
9(min) |
25 |
100 |
115 |
35 |
3500/700/110 |
|
HVM6.6P10 (替代IRFR9120N) |
-100(min) |
480 |
-4.0 |
1.4(min) |
-25 |
-100 |
27 |
14(typ) |
350/110/70 |
|
HVM4P10 (替代IRF9123N) |
-100 |
480 |
-4.0 |
1.4 |
-250 |
-100 |
27 |
14(typ) |
350/110/70 |
|
HVM23P10 (替代IRF9540/IRF9540N) |
-100(min) |
117 |
-4.0 |
5.3(min) |
-25 |
-100 |
97 |
15(typ) |
1300/400/240 |
|
HVM75P5.5 (替代IRF4905) |
-55(min) |
20 |
-4.0 |
21(min) |
-25 |
-100 |
180 |
18(typ) |
3400/1400/640 |
|
HVM40P10 (替代IRF5210PBF) |
-100(min) |
60 |
-4.0 |
10(min) |
-25 |
-100 |
180 |
17(typ) |
2700/790/450 |
|
HVM27P20 (替代IRF9260/2N7426) |
-200(min) |
160 |
-4.0 |
13(min) |
-25 |
-100 |
300 |
37(typ) |
6200/903/150 |
|
HVM9.4P20 (替代IRFY924(M)) |
-200(min) |
510 |
-4.0 |
4.0(min) |
-25 |
-100 |
60 |
35 |
1200/570/81 |
注:① min为最小值;max为最大值;typ为典型值。
② CiSS/Coss/Crss的值都是典型值。

TO-267外形图
|
尺寸符号 |
数值 |
||
|
最小值 |
公称值 |
最大值 |
|
|
L |
9.7 |
9.8 |
9.9 |
|
W |
21.0 |
21.5 |
22.0 |
|
W1 |
11.4 |
11.5 |
11.6 |
|
W2 |
6.9 |
7.0 |
7.1 |
|
W3 |
- |
- |
2.05 |
|
H |
4.8 |
4.9 |
5.0 |
|
H1 |
- |
1.0 |
- |
|
S |
- |
5.08 |
- |
|
S1 |
- |
2.9 |
- |
|
ΦR |
- |
2.2 |
- |
|
ΦR1 |
- |
0.8 |
- |
引出端极性说明:1、栅极(基极);2、漏极(集电极);3、源极(发射极)

TO-257、TO-257A(三腿绝缘)封装外形图
|
尺寸符号 |
数值 |
||
|
最小值 |
公称值 |
最大值 |
|
|
L |
10.5 |
10.6 |
10.7 |
|
W |
29.6 |
30.1 |
30.6 |
|
W1 |
16.3 |
16.5 |
16.7 |
|
W2 |
10.4 |
10.6 |
10.8 |
|
W3 |
2.8 |
2.9 |
3.0 |
|
H |
4.8 |
4.9 |
5.0 |
|
H1 |
0.9 |
1.0 |
1.1 |
|
S |
4.9 |
5.0 |
5.0 |
|
S1 |
2.8 |
2.9 |
3.0 |
|
ΦR |
- |
3.6 |
- |
|
ΦR1 |
- |
0.8 |
- |
引出端极性说明:1、栅极(基极);2、漏极(集电极);3、源极(发射极)

TO-257AA封装外形图
|
尺寸符号 |
数值 |
||
|
最小值 |
公称值 |
最大值 |
|
|
L |
10.5 |
10.6 |
10.7 |
|
W |
29.6 |
30.1 |
30.6 |
|
W1 |
16.3 |
16.5 |
16.7 |
|
W2 |
10.4 |
10.6 |
10.8 |
|
W3 |
2.8 |
2.9 |
3.0 |
|
H |
4.8 |
4.9 |
5.0 |
|
H1 |
0.9 |
1.0 |
1.1 |
|
S |
4.9 |
5.0 |
5.0 |
|
S1 |
2.8 |
2.9 |
3.0 |
|
ΦR |
- |
3.6 |
- |
|
ΦR1 |
- |
0.8 |
- |
引出端极性说明:1、漏极(集电极);2、源极(发射极);3、栅极(基极)

TO-254、TO-254A(三脚绝缘)封装外形图
|
尺寸符号 |
数值 |
||
|
最小值 |
公称值 |
最大值 |
|
|
L |
13.6 |
13.7 |
13.8 |
|
W |
34.7 |
35.2 |
35.7 |
|
W1 |
20.0 |
20.2 |
20.4 |
|
W2 |
13.5 |
13.7 |
13.9 |
|
W3 |
3.0 |
3.1 |
3.2 |
|
H |
6.5 |
6.6 |
6.7 |
|
H1 |
1.4 |
1.5 |
1.6 |
|
S |
7.52 |
7.62 |
7.72 |
|
S1 |
3.9 |
4.0 |
4.1 |
|
ΦR |
- |
4.2 |
- |
|
ΦR1 |
- |
1.0 |
- |
引出端极性说明:1、栅极(基极);2、漏极(集电极);3、源极(发射极)

TO-254AA封装外形图
|
尺寸符号 |
数值 |
||
|
最小值 |
公称值 |
最大值 |
|
|
L |
13.6 |
13.7 |
13.8 |
|
W |
34.7 |
35.2 |
35.7 |
|
W1 |
20.0 |
20.2 |
20.4 |
|
W2 |
13.5 |
13.7 |
13.9 |
|
W3 |
3.0 |
3.1 |
3.2 |
|
H |
6.5 |
6.6 |
6.7 |
|
H1 |
1.4 |
1.5 |
1.6 |
|
S |
7.52 |
7.62 |
7.72 |
|
S1 |
3.9 |
4.0 |
4.1 |
|
ΦR |
- |
4.2 |
- |
|
ΦR1 |
- |
1.0 |
- |
引出端极性说明:1、漏极(集电极);2、栅极(基极);3、 源极(发射极)

TO-258、TO-258A(三脚绝缘)封装外形图
|
尺寸符号 |
数值 |
||
|
最小值 |
公称值 |
最大值 |
|
|
L |
17.4 |
17.5 |
17.6 |
|
W |
35.3 |
35.8 |
36.3 |
|
W1 |
20.6 |
20.8 |
21.0 |
|
W2 |
13.5 |
13.7 |
13.9 |
|
W3 |
2.9 |
3.0 |
3.1 |
|
H |
6.5 |
6.6 |
6.7 |
|
H1 |
1.4 |
1.5 |
1.6 |
|
S |
10.06 |
10.16 |
10.26 |
|
S1 |
3.9 |
4.0 |
4.1 |
|
ΦR |
- |
4.2 |
- |
|
ΦR1 |
- |
1.0 |
- |
引出端极性说明:1、栅极(基极);2、漏极(集电极);3、源极(发射极)

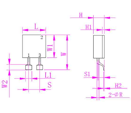
O-263片贴封装外形图
|
尺寸符号 |
数值 |
||
|
最小值 |
公称值 |
最大值 |
|
|
L |
10.0 |
10.5 |
11.0 |
|
L1 |
1.36 |
- |
1.76 |
|
W |
15.9 |
16.0 |
16.1 |
|
W1 |
10.0 |
10.5 |
11.0 |
|
W2 |
1.78 |
- |
2.58 |
|
H |
4.3 |
4.9 |
5.4 |
|
H1 |
- |
1.0 |
- |
|
H2 |
- |
0.4 |
- |
|
S |
- |
5.0 |
- |
|
S1 |
- |
2.9 |
- |
|
ΦR |
- |
1.0 |
- |
引出端极性说明:1、栅极(基极);2、漏极(集电极);3、源极(发射极)

TO-252片贴封装外形图
|
尺寸符号 |
数值 |
|
|
最小值 |
最大值 |
|
|
L |
6.20 |
6.80 |
|
L1 |
4.80 |
5.60 |
|
L2 |
0.70 |
1.20 |
|
L3 |
0.54 |
1.00 |
|
L4 |
0.40 |
0.61 |
|
W |
0.80 |
1.60 |
|
W1 |
5.20 |
6.30 |
|
W2 |
9.10 |
10.5 |
|
W3 |
- |
1.10 |
|
H |
2.10 |
2.60 |
|
H1 |
0.40 |
0.90 |
|
D |
2.10 |
2.40 |
引出端极性说明:1、栅极(基极);2、漏极(集电极);3、源极(发射极)

TO-220封装外形图
|
尺寸符号 |
数值 |
|
|
最小值 |
最大值 |
|
|
A |
9.7 |
10.2 |
|
B |
2.8 |
3.2 |
|
ΦC |
3.3 |
3.7 |
|
D |
15.5 |
15.9 |
|
E |
6.3 |
6.7 |
|
F |
- |
1.3 |
|
G |
3.2 |
3.6 |
|
H |
- |
2.65 |
|
I |
1.2 |
1.7 |
|
L |
0.75 |
1.0 |
|
K |
4.3 |
4.8 |
|
M |
1.2 |
1.5 |
|
P |
0.4 |
0.6 |
|
N |
2.1 |
2.6 |
引出端极性说明:1、栅极(基极);2、漏极(集电极);3、源极(发射极)

TO-264封装外形图
|
尺寸符号 |
数值 |
||
|
最小值 |
公称值 |
最大值 |
|
|
L |
19.60 |
19.80 |
20.00 |
|
W |
45.8 |
46.5 |
47.2 |
|
W1 |
25.80 |
26.00 |
26.20 |
|
W2 |
19.60 |
19.80 |
20.00 |
|
W3 |
6.00 |
6.20 |
6.40 |
|
H |
6.80 |
7.00 |
7.20 |
|
H1 |
1.10 |
1.20 |
1.30 |
|
S |
10.70 |
10.92 |
11.12 |
|
S1 |
3.80 |
4.00 |
4.20 |
|
ΦR |
3.40 |
3.60 |
3.80 |
|
ΦR1 |
1.30 |
1.50 |
1.70 |
引出端极性说明:1、栅极(基极);2、源极(发射极);3、漏极(集电极)

B2-01B(F-1)封装外形图
|
尺寸符号 |
数值 |
||
|
|
最小值 |
公称值 |
最大值 |
|
A |
- |
- |
9.8 |
|
ΦD |
- |
- |
15.0 |
|
L |
8.5 |
- |
10.5 |
|
a |
- |
6.0 |
- |
|
Φb |
0.9 |
- |
1.1 |
|
ΦR |
4.1 |
- |
4.3 |
|
e |
- |
- |
13.2 |
|
q |
22.8 |
- |
23.2 |
|
U1 |
- |
- |
31.3 |
|
U2 |
- |
- |
19.0 |
|
d |
- |
3.0 |
- |

B2-01C(F-2)封装外形图
|
尺寸符号 |
数值 |
||
|
|
最小值 |
公称值 |
最大值 |
|
A |
- |
- |
12.19 |
|
ΦD |
- |
- |
22.86 |
|
L |
8 |
- |
13.9 |
|
a |
- |
11.0 |
- |
|
Φb |
0.9 |
- |
1.1 |
|
ΦR |
4.1 |
- |
4.3 |
|
e |
- |
17.0 |
- |
|
q |
29.9 |
- |
30.5 |
|
U1 |
- |
- |
40.13 |
|
U2 |
- |
- |
27.17 |
|
d |
- |
3.0 |
- |

SMD-0.2封装外形图
|
尺寸符号 |
数值 |
||
|
最小值 |
公称值 |
最大值 |
|
|
L |
5.4 |
5.5 |
5.6 |
|
L1 |
4.9 |
5.0 |
5.1 |
|
L2 |
- |
2.0 |
- |
|
W |
7.85 |
7.95 |
8.05 |
|
W1 |
- |
4.5 |
- |
|
W2 |
- |
2.0 |
- |
|
H |
- |
- |
- |
|
H1 |
- |
1.4 |
- |
|
H2 |
- |
0.3 |
- |
引出端极性说明:1、栅极(基极);2、漏极(集电极) 3、源极(发射极);

SMD-0.5封装外形图
|
尺寸符号 |
数值 |
||
|
最小值 |
公称值 |
最大值 |
|
|
L |
7.4 |
7.5 |
7.6 |
|
L1 |
7.1 |
7.2 |
7.3 |
|
L2 |
- |
2.54 |
- |
|
W |
10.1 |
10.2 |
10.3 |
|
W1 |
- |
5.75 |
- |
|
W2 |
- |
3.12 |
- |
|
H |
- |
- |
3.1 |
|
H1 |
- |
1.7 |
- |
|
H2 |
- |
0.4 |
- |
引出端极性说明:1、栅极(基极);2、漏极(集电极) 3、源极(发射极);

SMD-1封装外形图
|
尺寸符号 |
数值 |
||
|
最小值 |
公称值 |
最大值 |
|
|
L |
11.35 |
11.45 |
11.55 |
|
L1 |
9.55 |
9.65 |
9.75 |
|
L2 |
- |
3.68 |
- |
|
W |
15.8 |
15.9 |
16.0 |
|
W1 |
- |
10.55 |
- |
|
W2 |
- |
4.11 |
- |
|
H |
- |
- |
3.7 |
|
H1 |
- |
1.7 |
- |
|
H2 |
- |
0.4 |
- |
引出端极性说明:1、栅极(基极);2、漏极(集电极) 3、源极(发射极);

SMD-2封装外形图
|
尺寸符号 |
数值(mm) |
||
|
最小值 |
公称值 |
最大值 |
|
|
L |
13.21 |
- |
13.64 |
|
W |
17.64 |
- |
17.65 |
|
H |
- |
- |
3.58 |
|
L2 |
3.43 |
- |
3.68 |
|
W1 |
11.94 |
- |
12.19 |
|
H2 |
0.254 |
- |
0.508 |
|
L1 |
11.05 |
- |
11.30 |
|
W2 |
3.87 |
- |
4.11 |
引出端极性说明:1、栅极(基极);2、漏极(集电极) 3、源极(发射极);
